行業資訊
道路設計:解讀道路轉彎半徑
一盤子打死,你能畫多大的圓?
——解讀道路轉彎半徑
當年學車,教練教過這樣一個動作:4檔降2檔調頭。根據多次練習的結果來看,方向盤打死的情況下低速調頭,總是會開到對面第三條車道上。如果按照一條車道3.5m寬計算,教練車畫了一個7m直徑的半圓。也就是說,教練車的轉彎半徑在3.5m左右。

從這里,我們引出了今天的話題:什么是機動車轉彎半徑?什么是道路轉彎半徑?它們究竟是怎么得出的,又有什么區別?
01 機動車轉彎半徑
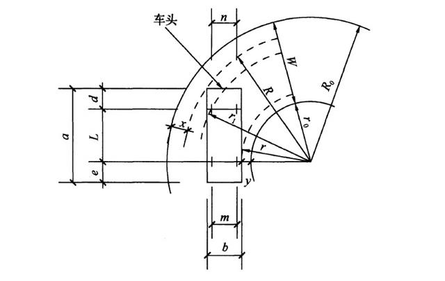
根據《車庫建筑設計規范JGJ100-2015》(以下簡稱"庫規")4.1.3和4.1.4,我們知道,機動車最小轉彎半徑指的是機動車在轉彎時,其外側輪胎劃過的圓弧半徑r1。而非我們通常理解的,機動車內側輪胎劃過的圓弧半徑。

同時,在庫規4.1.4中也給出了最小內半徑的計算方法。為了方便大家閱讀,這里就不列計算公式了。簡單的以奧迪A8為例,套用公式計算得出其最小環行內半徑r為3.31m。

所以在庫規4.3.5有這樣的規定:微型車和小型車的環形通車道最小內半徑不得小于3.0m。
02 道路轉彎半徑
那么,道路的內半徑應該怎么確定?
按照通常的做法,道路內半徑 = 規范所說的最小轉彎半徑。即是說,總平面中通行小型車的道路,圓弧倒角取值R為6m??墒前凑涨懊娴挠嬎?,這樣的做法把半徑取大了。這樣的做法有沒有問題呢?

從另一方面講,機動車轉彎的半徑大小還和速度有關。前面所說的半徑數據,均為機動車極低速狀態。
《城市道路交叉口設計規程CJJ152-2010》 4.3.2有這樣的規定,當右轉彎設計時速為15km/h時,推薦道路內半徑為10m。

這是針對城市道路而言。對于地塊內部的車道,如果我們加上"駕駛水平、車速、燈光、視線及坡道"等因素,小型車轉彎內半徑最小取值建議為4m。而針對車庫通道,內半徑取值3.5m即可。
對于其他類型車輛的轉彎半徑,查閱《建筑設計資料集(第三版)》第1分冊,可得到如下數據:
微型車內半徑 = 3.0m
小型車內半徑 = 4.0m
輕型車內半徑 = 4.0 ~ 5.0m
中型車內半徑 = 5.0 ~ 6.5m
大型車內半徑 = 6.5 ~ 8.0m

03 消防車道轉彎半徑
供消防車通行的消防車道則是另一種情況。
《建筑設計防火規范GB50016-2014》條文說明7.1.9提供了消防車轉彎半徑。目前,我國普通消防車的轉彎半徑為9m,登高車的轉彎半徑為12m,一些特種車輛的轉彎半徑為16m~20m。但未說明轉彎半徑為外半徑還是內半徑。
通常的做法是將此數據等價于消防車道內半徑,所以通常消防車道內半徑取值9m。

04 經驗總結
如前所述,消防車道4m寬,取9m內半徑。如果和小型車道路合用,4m寬時也取9m內半徑。但是如果小型車道路寬度大于4m,還是按照9m取內半徑就浪費了。
如圖所示,如果道路為4.5m寬,滿足消防車通行的情況下,內半徑取7.5m即可。

如圖所示,如果道路為5m寬,滿足消防車通行的情況下,內半徑取6m即可。

如圖所示,如果道路為5.5m寬,滿足消防車通行的情況下,內半徑取4m即可。

如圖所示,如果道路寬度≥6m,滿足消防車通行的情況下,內半徑取4m即可。

以上就是我們對道路轉彎半徑的總結和解讀。
關于道路轉彎半徑,規范以及各種參考圖集其實都沒有給出實錘的確切數據,行業內默認都是將最小外半徑作為內半徑使用。希望我們的總結能給大家的工作帶來便利和幫助。
更多相關信息 還可關注中鐵城際公眾號矩陣 掃一掃下方二維碼即可關注





